徐州必得交通设备有限公司

定子叠片-加工

距离报价结束还剩 5
我要报价

报价要求含税 13%
发票类别为 税专用发票

截止日期:2026-04-14 已有1人报价

询价物品

物品名称 图片 采购量 厂牌型号/规格属性
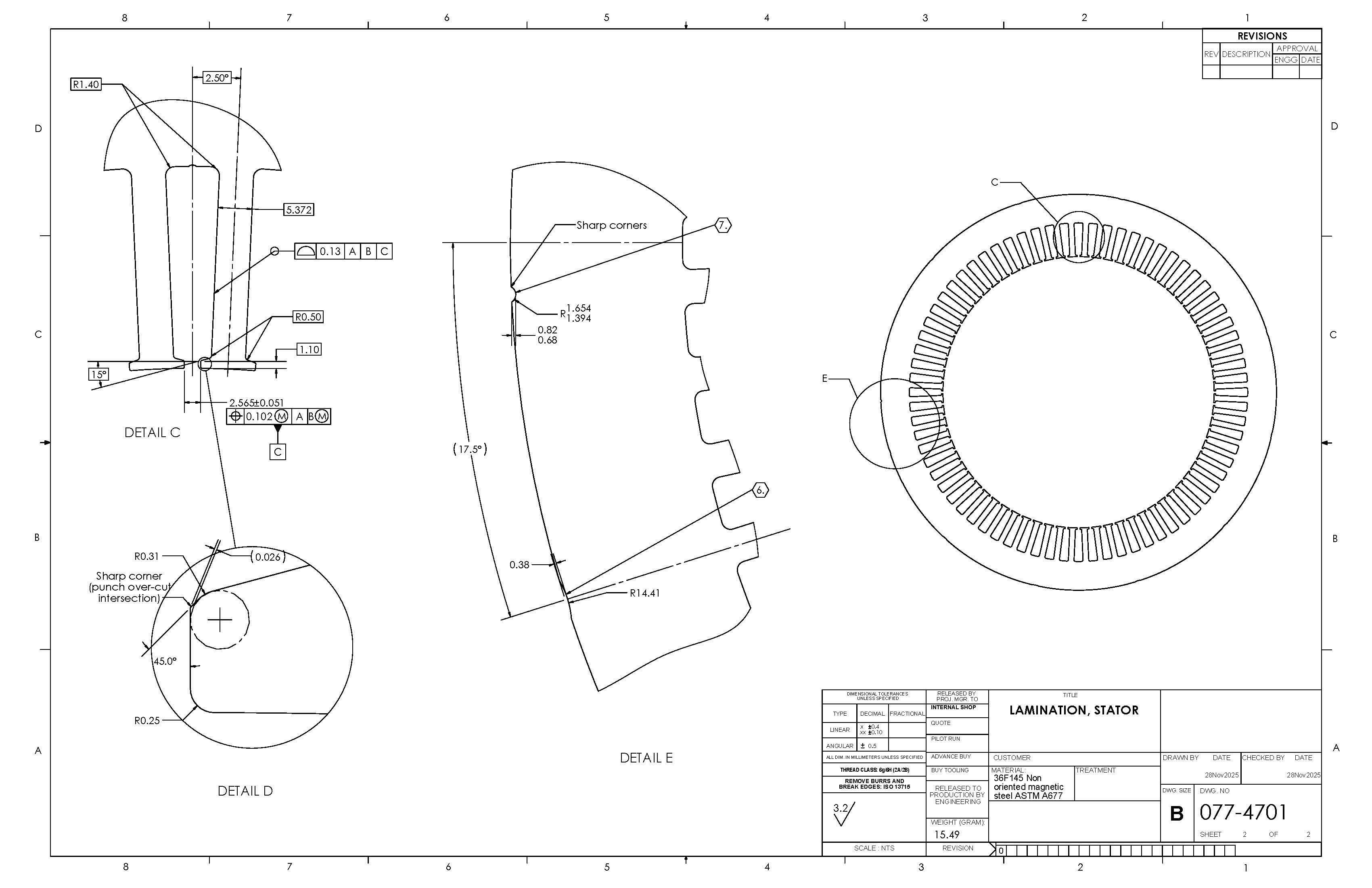
定子叠片 30 077-4701
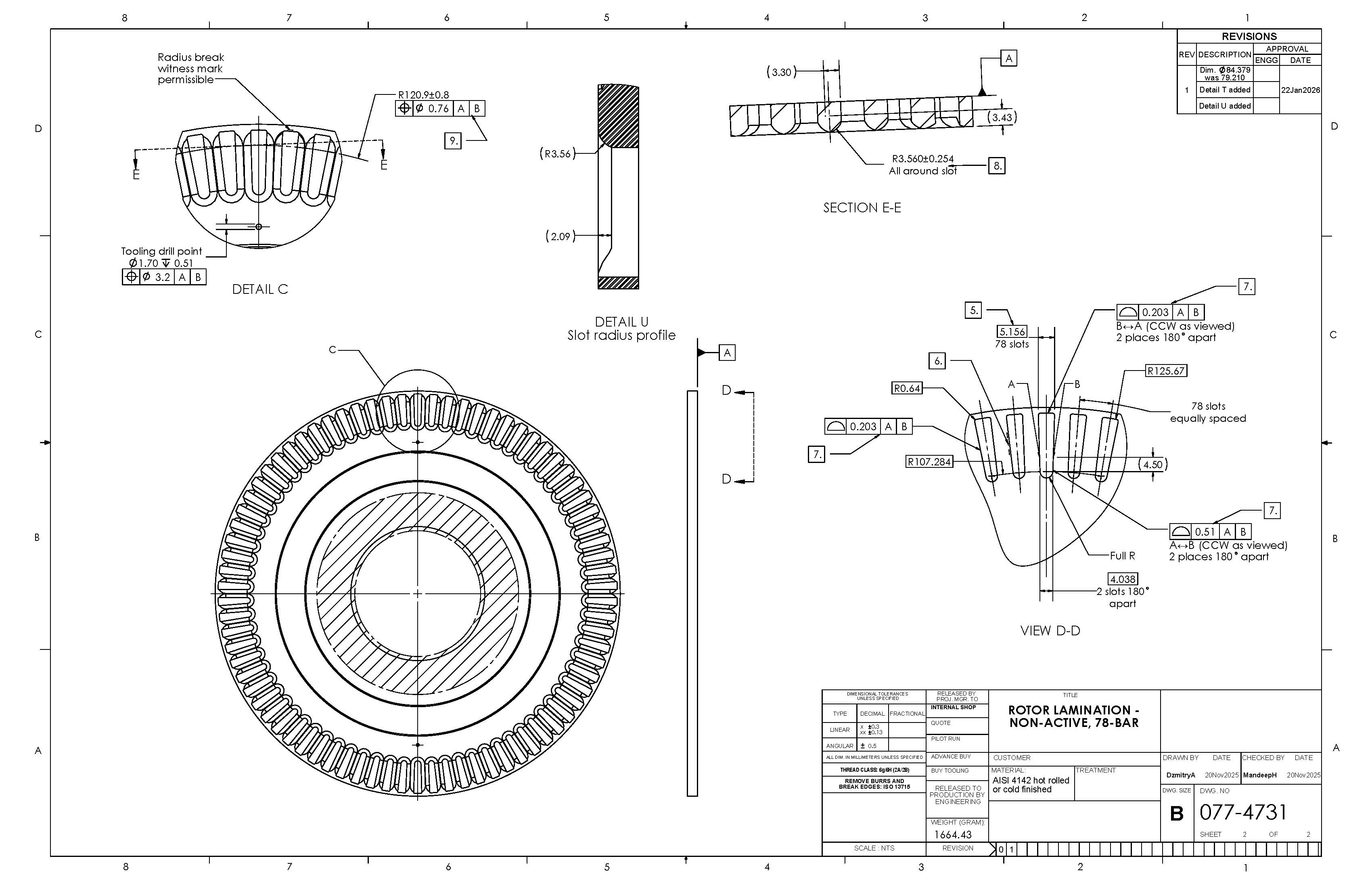
转子叠片 30 077-4731
转子叠片 30 077-4729

采购要求

附件 077-4701 - 副本.PDF
077-4731 - 副本.PDF
077-4729 - 副本.PDF
交货地 江苏省 苏州市
补充说明 年需求量:300000件左右
对供应商要求

要求供应商对询价物品全部报价

经营模式: 生产制造  贸易批发  商业服务  其他组织 

华发 设计有限公司

  • 认证级别: 身份认证
  • 信息验证:

公司详情

采购类目:
汽摩及配件;制造加工机械;五金工具;玩具
  • 吉林安装集团股份有限公司采购专场
  • 中标(大连)工程技术有限公司