百卓首页
|
购物车(
0
)
|
我的百卓
采购中心
新增询价单
新增招募
管理采购物品
管理供应商
销售中心
找商机
等待报价信息
管理订单
查看未读消息
|
百卓优采管理工具
百卓优采云进销存软件
百卓优采供应链云平台
|
客服中心
|
400-6979-890
|
网站导航
采购市场
询价信息
招募信息
企业采购专场
招标信息
供应市场
工业品市场
其他
市场活动
客服中心
查看更多
您好,欢迎来到百卓采购网!
请登录
免费注册
企业采购就上百卓
企业采购就上百卓
找采购
搜索
加拿大司玛德供应有限公司(中国办事处)
询价信息
公司信息
核
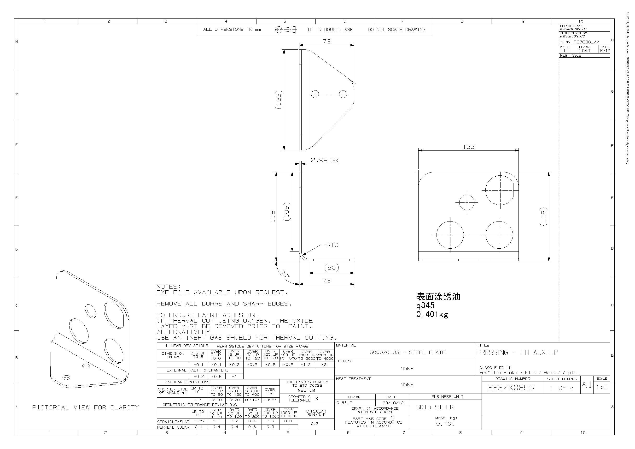
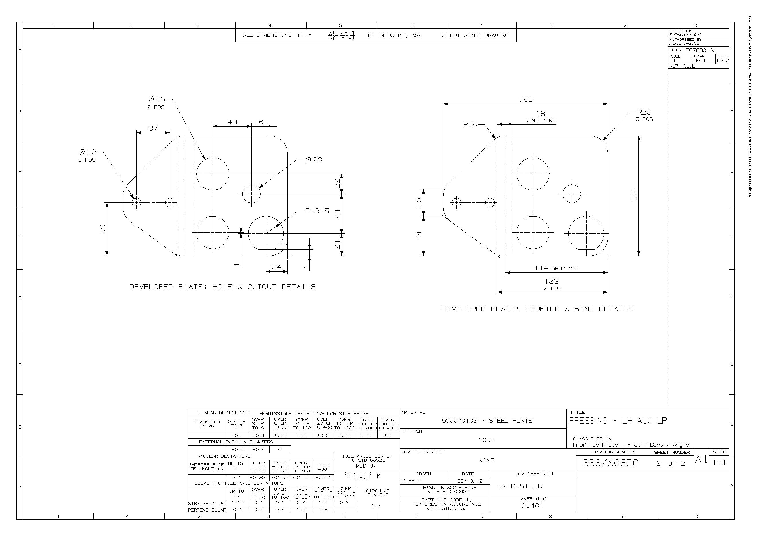
冲压, 钣金
本次采购已结束,已获得9条报价
截止日期:2013-02-04
已有
9
人报价
询价物品
物品名称
图片
采购量
厂牌型号/规格属性
冲压, 钣金
d-333-X0856-1-333-x0856-1-sheet1.JPG
13.JPG
d-333-X0856-1-333-x0856-1-sheet2.JPG
500
件
由卖方承担运费
厚度2.94mm
材料 Q345
表面涂抹防锈油
订单500个,每年3次订单。
安装到工程机械上,因此每年都有订单,长期稳定。
发货到宁波港口, 木箱子包装。另外我们还有7款类似产品,请联系我们。我们对规模没太多要求。
采购要求
交货地
浙江省 宁波市
补充说明
:
登录后可见联系信息
登录
|
注册
加拿大司玛德供应有限公司(中国办事处)
信息验证:
公司详情
采购类目:
农业机械;铸造和锻压;模具;其它制造加工机械;塑料加工机械;橡胶加工机械
|
发联系信
举报不实信息
登录
免费注册
该帐号为百卓采购网会员,
将为您切换相应标签进行登录。
确认
请输入中国制造网内贸站的登录信息
找回帐号
找回密码
登录
该帐号为中国制造网内贸站会员,
将为您切换相应标签进行登录。
确认
两周内免登录
忘记密码?
登录
登录即表示您已同意
百卓采购网会员协议
,并同意获取您的中国制造网内贸站部分信息。
中国制造网内贸站会员登录
< 返回百卓采购网登录