定制转速传感器

本次采购已结束
截止日期:2026-01-30

询价物品

物品名称 图片 采购量 厂牌型号/规格属性
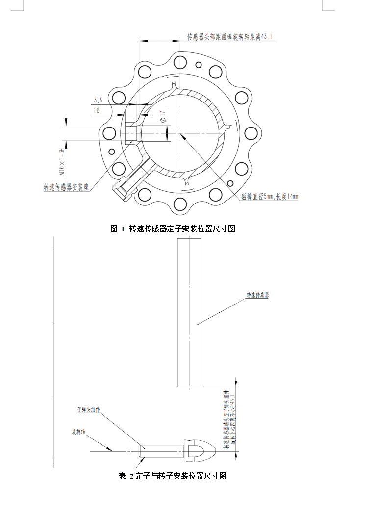
转速传感器 2 无源0~30000r/min非接触式

采购要求

交货地 陕西省 西安市
补充说明 详细电话沟通
对供应商要求

经营模式: 生产制造  贸易批发  商业服务  其他组织 

证照要求:
经营许可证

  • 信息验证:
  • 吉林安装集团股份有限公司采购专场
  • 中标(大连)工程技术有限公司