郑州诚和机械有限公司

寻求机械加工

本次采购已结束,已获得4条报价
截止日期:2018-08-31 已有4人报价

询价物品

物品名称 图片 采购量 厂牌型号/规格属性
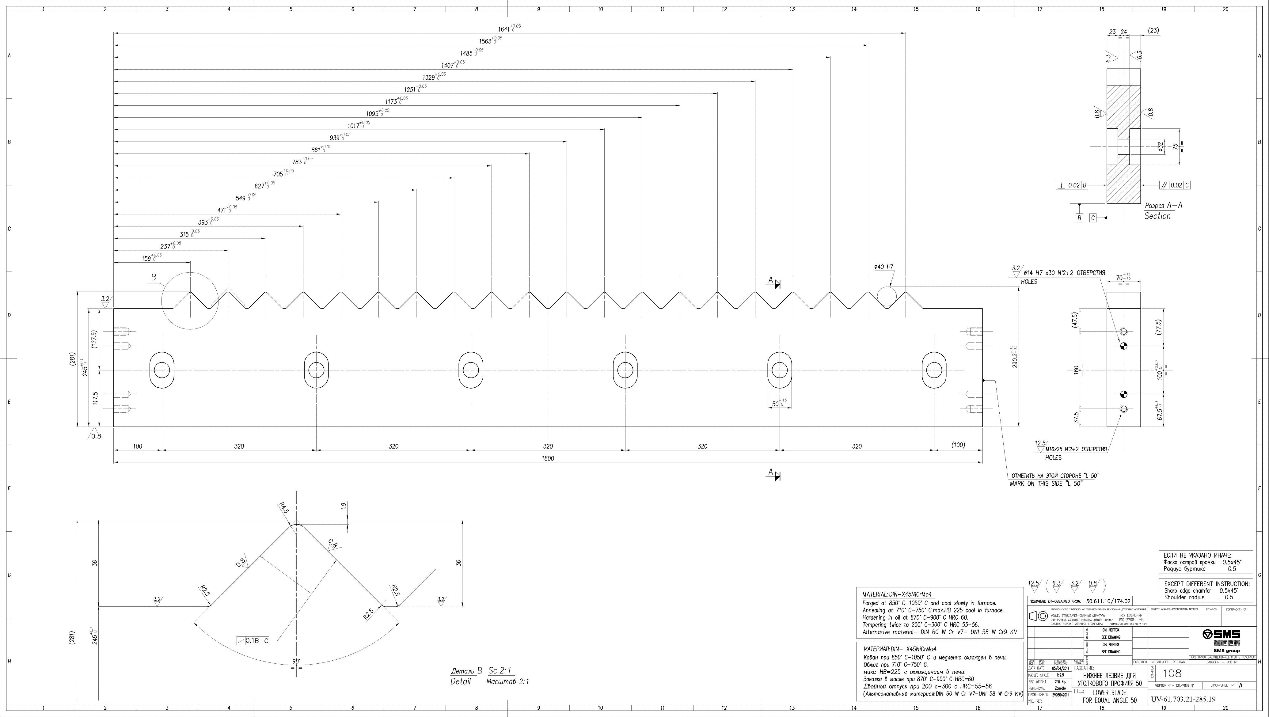
刀片 4

采购要求

交货地 上海市
补充说明 每种两件,共4件,材料是X40CrMov5-1(1.2344),技术要求如下:

1.硬度要求是HRC52-54(淬火&回火处理)

2.无损报告;

3.超声控制检测

4.粗加工之后须经过磁力探伤仪进行检测;

5.渗透液检测;

6.与奥氏体晶粒尺寸G=5-8有关的证书;

7.材料化学成分分析及机械性能报告;

8.锐边倒角1*45°,


如可生产,请报价,谢谢!
请报 海港含包装及税单价,生产周期,付款方式。
对供应商要求

经营模式: 生产制造 

同类询价信息

郑州诚和机械有限公司

  • 认证级别: 身份认证
  • 信息验证:

公司详情

采购类目:
化工;制造加工机械;五金工具
  • 吉林安装集团股份有限公司采购专场
  • 中标(大连)工程技术有限公司