郑州诚和机械有限公司

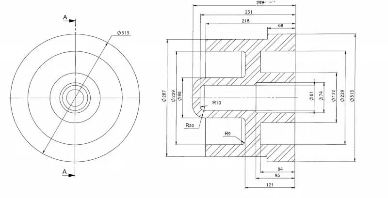
4340锻件

本次采购已结束
截止日期:2019-03-03

询价物品

物品名称 图片 采购量 厂牌型号/规格属性
锻件
40

采购要求

附件 4340锻件2.jpg
4340锻件1.jpg
交货地 上海市
补充说明 合结钢锻件,
钢号4340,
交货状态:锻造+退火+粗车,通过Sep. 1921-84 Class C/c探伤,尺寸见图纸;
数量:两个图纸订量各自20支。
烦请报出厂含税价,并告知交货期。
对供应商要求

经营模式: 生产制造 

郑州诚和机械有限公司

  • 认证级别: 身份认证
  • 信息验证:

公司详情

采购类目:
化工;制造加工机械;五金工具
  • 吉林安装集团股份有限公司采购专场
  • 中标(大连)工程技术有限公司