郑州诚和机械有限公司

大齿圈

本次采购已结束,已获得1条报价
截止日期:2018-12-10 已有1人报价

询价物品

物品名称 图片 采购量 厂牌型号/规格属性
大齿圈 2 数量2件,材料为50钢或42CrMo锻件,主体硬度HB174-229,齿部淬火硬度HRC≥42.

图号15498.12.200        
1、*尺寸仅供参考, 
2、H14,h14,±IT14/2;
3、除了平面E外的所有平面需要涂上红色油漆;
4、产品运输过程中需要配4个吊环螺钉,在运输过程中吊环螺钉的孔需要润滑;
5、允许一些非加工处,如平面Ж;
6、半环连接处允许存在小于0.2mm的局部间隙;
7、齿部硬度要求≥42HRC

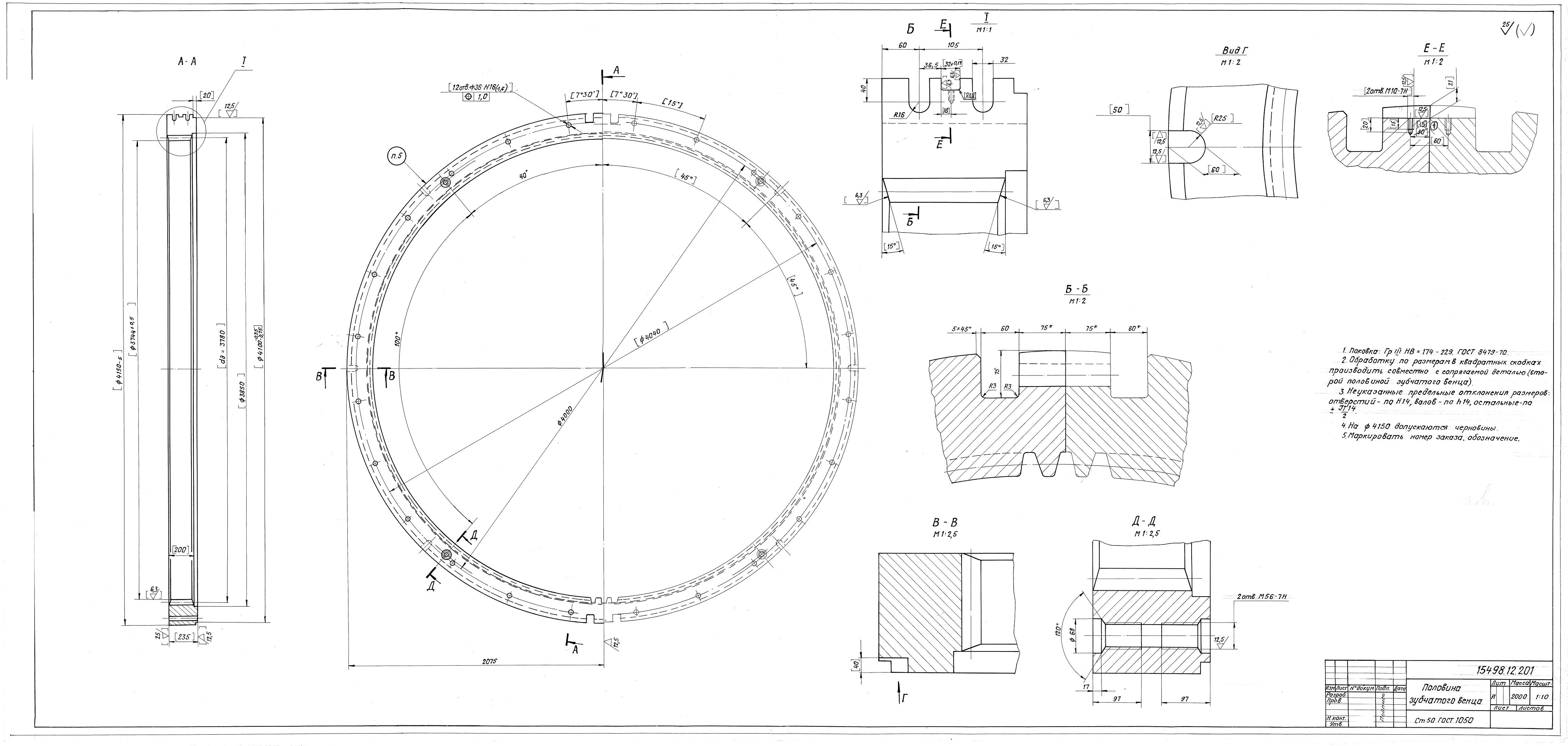
图号15498.12.201         
1、锻件 HB 174-229; 
2、【】中的尺寸需要同时提供连接件;
3、H14,h14,±IT14/2;
4、允许一些非加工处,如D4150;
5、产品上需要标示产品图号

采购要求

交货地 上海市
对供应商要求

经营模式: 生产制造 

郑州诚和机械有限公司

  • 认证级别: 身份认证
  • 信息验证:

公司详情

采购类目:
化工;制造加工机械;五金工具
  • 吉林安装集团股份有限公司采购专场
  • 中标(大连)工程技术有限公司