百卓首页
|
购物车(
0
)
|
我的百卓
采购中心
新增询价单
新增招募
管理采购物品
管理供应商
销售中心
找商机
等待报价信息
管理订单
查看未读消息
|
百卓优采管理工具
百卓优采云进销存软件
百卓优采供应链云平台
|
客服中心
|
400-6979-890
|
网站导航
采购市场
询价信息
招募信息
企业采购专场
招标信息
供应市场
工业品市场
其他
市场活动
客服中心
查看更多
您好,欢迎来到百卓采购网!
请登录
免费注册
企业采购就上百卓
企业采购就上百卓
找采购
搜索
埃姆兆(天津)国际贸易有限公司
询价信息
公司信息
核
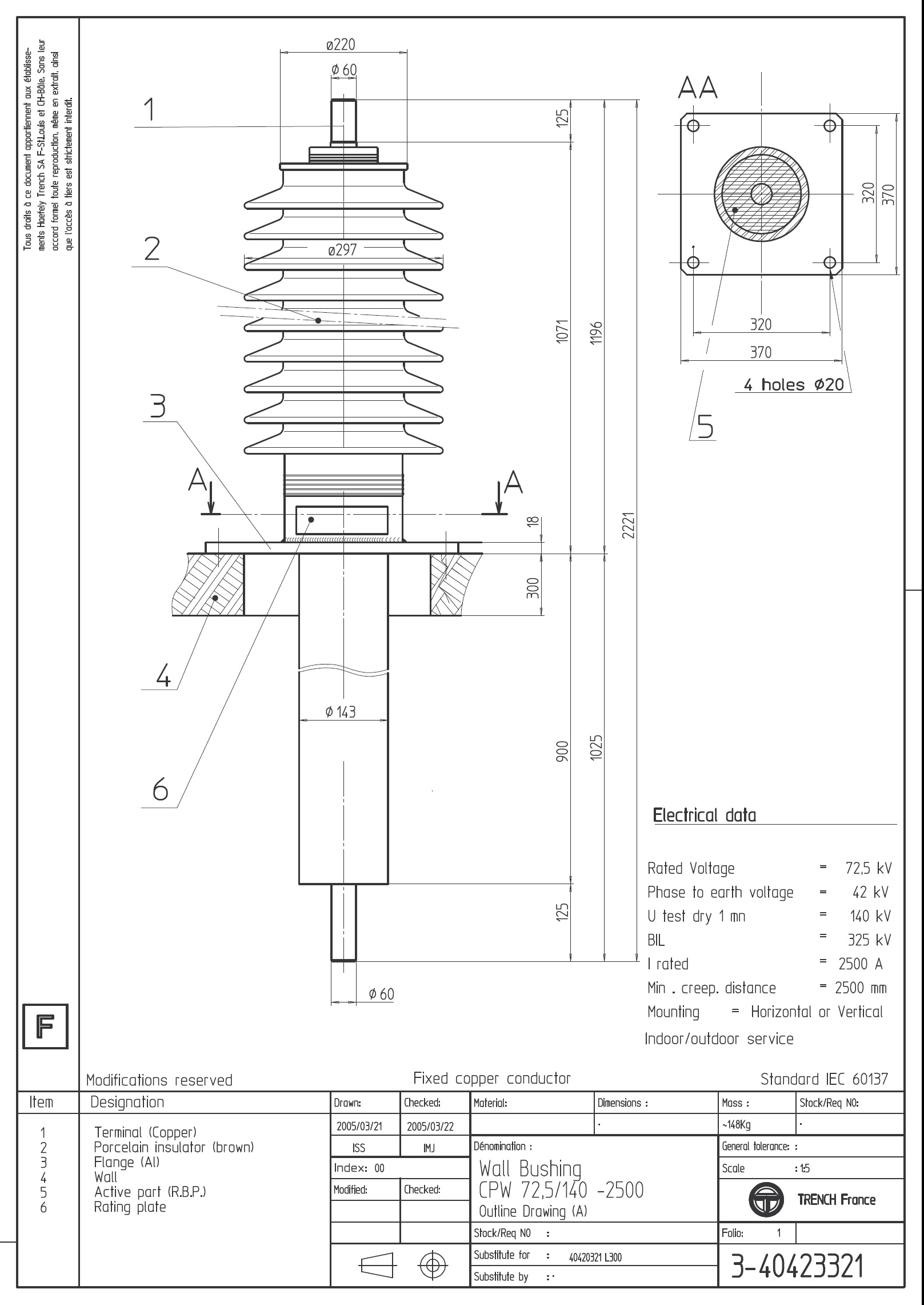
穿墙套管
本次采购已结束,已获得2条报价
截止日期:2014-07-13
已有
2
人报价
询价物品
物品名称
图片
采购量
厂牌型号/规格属性
穿墙套管
埃姆兆(天津)国际贸易有限公司-穿墙套管 .jpg
3
只
我公司需要采购穿墙套管,规格要求为72.5kv,具体查看图纸,要求为生产型企业。用于出口,请报 ,欢迎报价。
报价后可见联系信息
埃姆兆(天津)国际贸易有限公司
信息验证: --
公司详情
采购类目:
光纤、光缆;电线、电缆
|
发联系信
举报不实信息
登录
免费注册
该帐号为百卓采购网会员,
将为您切换相应标签进行登录。
确认
请输入中国制造网内贸站的登录信息
找回帐号
找回密码
登录
该帐号为中国制造网内贸站会员,
将为您切换相应标签进行登录。
确认
两周内免登录
忘记密码?
登录
登录即表示您已同意
百卓采购网会员协议
,并同意获取您的中国制造网内贸站部分信息。
中国制造网内贸站会员登录
< 返回百卓采购网登录