深圳市春泥电子有限公司

pogping顶针铜柱

本次采购已结束,已获得4条报价
截止日期:2024-05-15 已有4人报价

询价物品

物品名称 图片 采购量 厂牌型号/规格属性
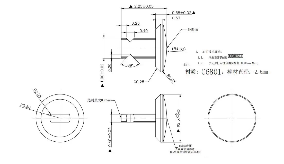
pogping顶针铜柱
5,000,000pcs 车加素材,不需要电镀。外观面光洁度通过研磨抛光实现。

采购要求

附件 2.jpg
5.jpg
1.jpg
交货地 广东省 深圳市
补充说明 此款是长期订单,月需求150万pcs,订单执行时间>6个月
对供应商要求

经营模式: 生产制造 

证照要求:
三/五证合一营业执照