上海睿客气动技术有限公司

轴耳,缸筒加工

本次采购已结束,已获得4条报价
截止日期:2016-11-13 已有4人报价

询价物品

物品名称 图片 采购量 厂牌型号/规格属性
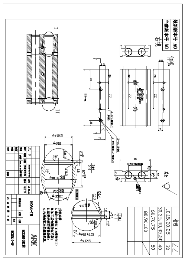
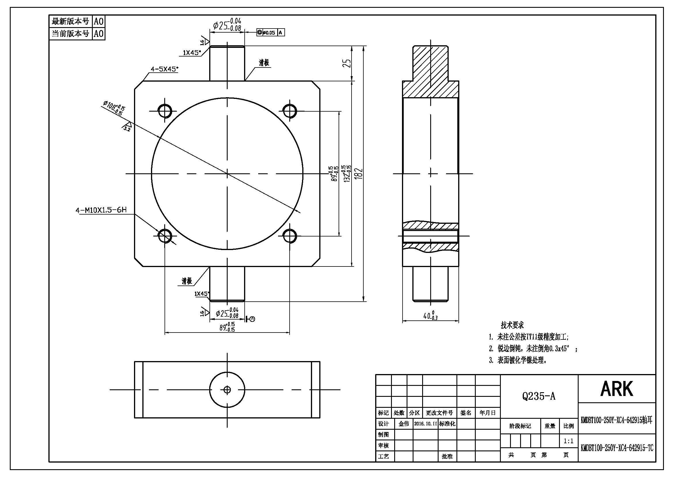
轴耳 300 KMDBT100-250Y-XC4-642915
缸筒加工 500 KCXSM10/15/20/25/30/35/40/45/50/60/70/75/80/90/100

采购要求

附件 KCXSM10寻找机加工.docx
交货地 上海市
补充说明 机床要求:加工中心带第四轴转台
技术要求:按图纸,外形定位面已加工到位,现需要加工缸筒内部的两端面上的阶梯孔11.8及内沟槽等;
图示是规格为缸径10的,另外还有规格为15,20,25,32加工条件同上.
数量:每次500件以上,长期合作,订单稳定。
对供应商要求

经营模式: 生产制造 

证照要求:
工商营业执照
税务登记证
组织结构代码证
经营许可证