河北锦亚排水工程有限公司

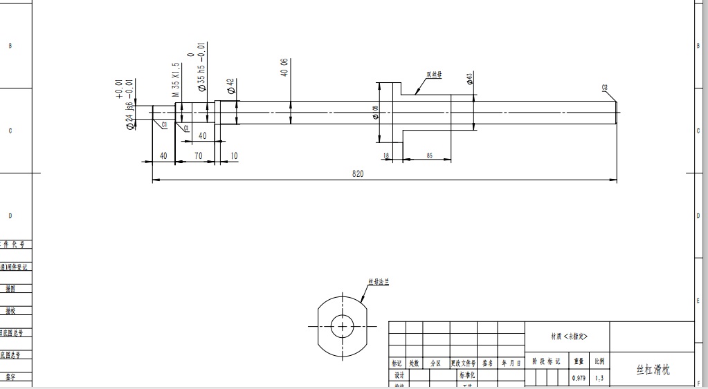
80立式车床用的滑枕丝杠

本次采购已结束,已获得1条报价
截止日期:2019-07-15 已有1人报价

询价物品

物品名称 图片 采购量 厂牌型号/规格属性
80立式车床用的滑枕丝杠 100 不要求
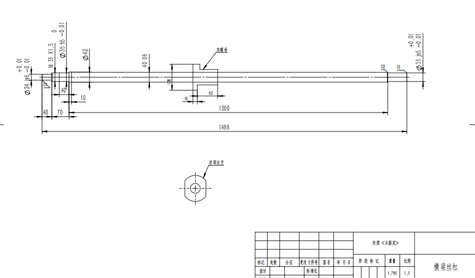
80立式车床用的横梁丝杠 100 不要求

采购要求

附件 横梁丝杠.PDF
滑枕丝杠.PDF
交货地 河北省 石家庄市
对供应商要求

要求供应商对询价物品全部报价

所在地区: 河北省 , 山东省 , 江苏省 , 浙江省 , 天津市

公司详情

采购类目:
排水系统
  • 吉林安装集团股份有限公司采购专场
  • 中标(大连)工程技术有限公司