宁波斯梅尔智能科技有限公司

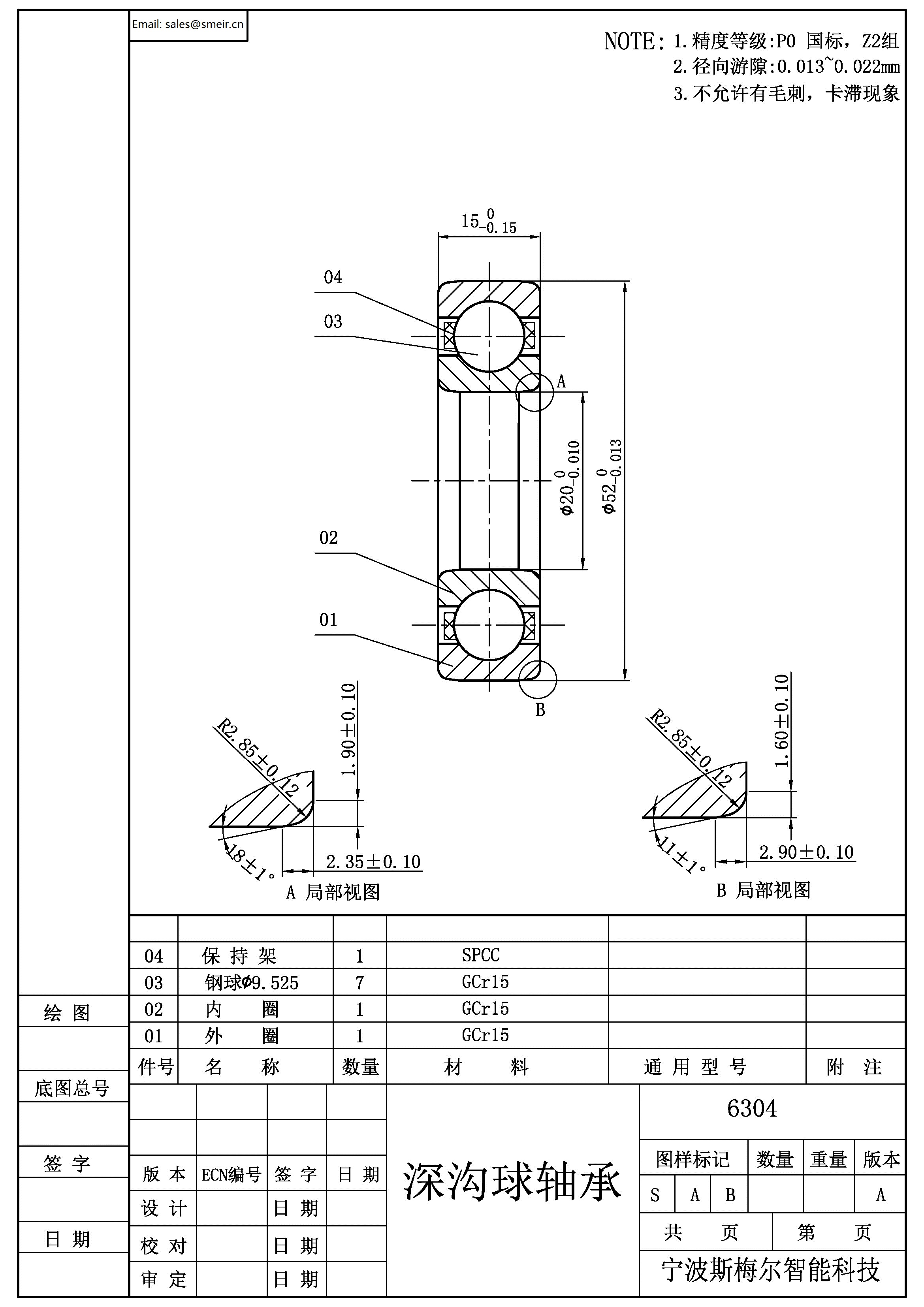
6304开式轴承 摩托车轴承

本次采购已结束,已获得2条报价
截止日期:2018-06-01 已有2人报价

询价物品

物品名称 图片 采购量 厂牌型号/规格属性
6304开式轴承 摩托车轴承
150,000套/月 国标级,材料轴承钢,用在摩托车上

采购要求

附件 6304 图纸.jpg
交货地 浙江省 宁波市
补充说明 1,产品价格不含税,含运费到宁波
2,首先需要进行样品确认,样品数量10-20套。 
3,产品的顺畅度和灵活性一定要好,不能有卡滞,
4,月用量为15万套
5,QQ:284178687
对供应商要求

经营模式: 生产制造