湖北坚丰科技股份有限公司

工业电机轴供应商

距离报价结束还剩 174
我要报价

报价要求含税 13%
发票类别为 税专用发票

截止日期:2026-09-01 已有3人报价

询价物品

物品名称 图片 采购量 厂牌型号/规格属性
工业电机轴 2,000

采购要求

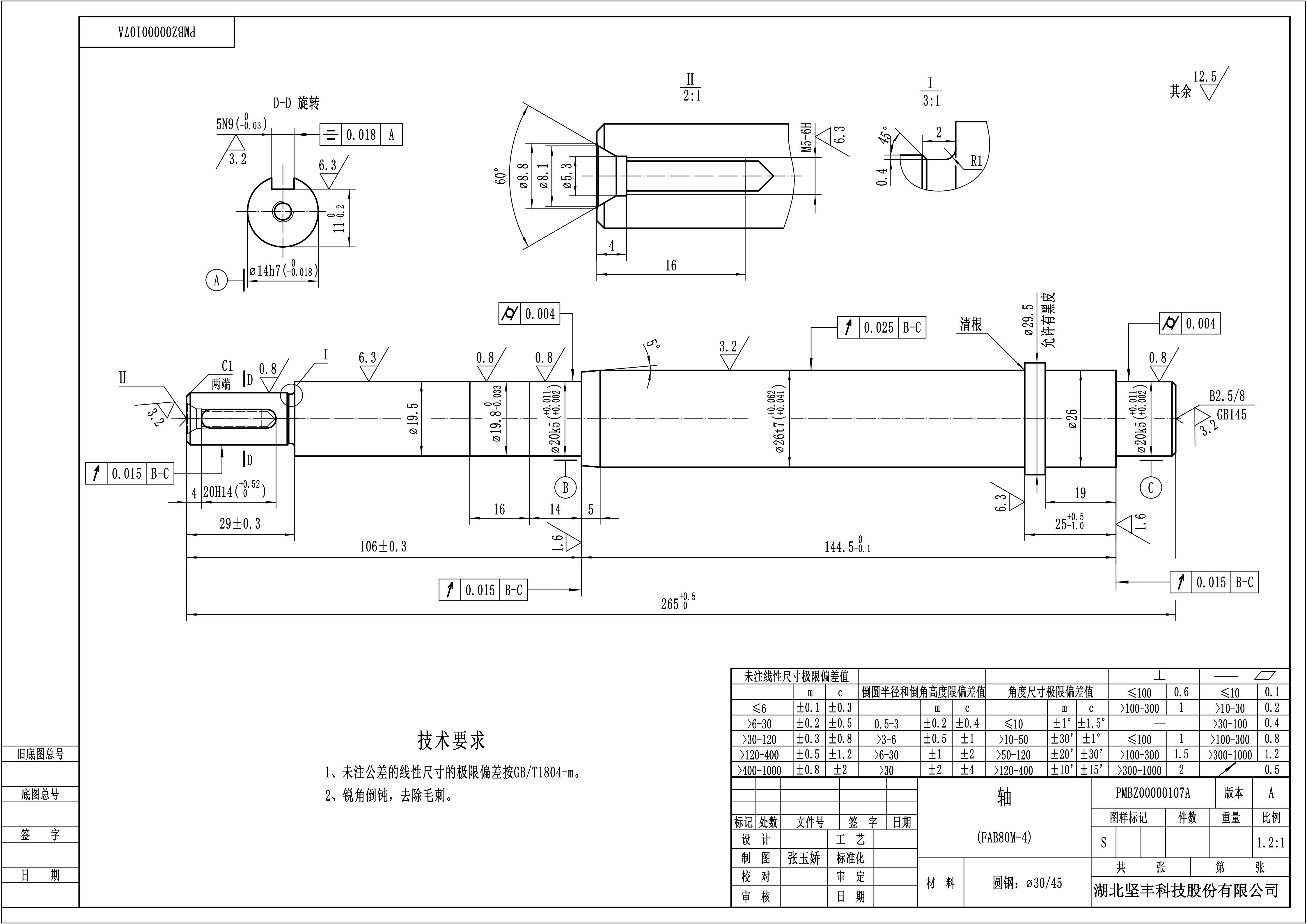
附件 轴 FAB80M-4.pdf
交货地 湖北省 孝感市
补充说明 需保障产品精度要求,按图纸加工,可以长期合作,订单充足。
对供应商要求

经营模式: 生产制造 

湖北坚丰科技股份有限公司

  • 认证级别: 身份认证
  • 信息验证:

公司详情

  • 吉林安装集团股份有限公司采购专场
  • 中标(大连)工程技术有限公司