百卓首页
|
购物车(
0
)
|
我的百卓
采购中心
新增询价单
新增招募
管理采购物品
管理供应商
销售中心
找商机
等待报价信息
管理订单
查看未读消息
|
百卓优采管理工具
百卓优采云进销存软件
百卓优采供应链云平台
|
客服中心
|
400-6979-890
|
网站导航
采购市场
询价信息
招募信息
企业采购专场
招标信息
供应市场
工业品市场
其他
市场活动
客服中心
查看更多
您好,欢迎来到百卓采购网!
请登录
免费注册
企业采购就上百卓
企业采购就上百卓
找采购
搜索
杭州苏尔威工具制造有限公司
询价信息
公司信息
核
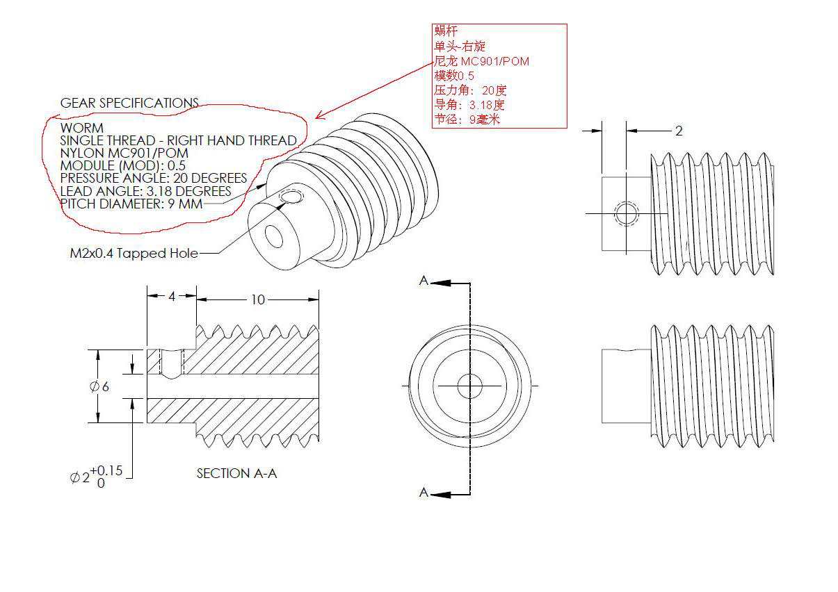
0.5模数尼龙蜗轮蜗杆
本次采购已结束
截止日期:2014-08-15
询价物品
物品名称
图片
采购量
厂牌型号/规格属性
0.5模数尼龙蜗轮蜗杆
杭州苏尔威工具制造有限公司-蜗杆.jpg
1,000
套
我公司需要采购0.5模数尼龙蜗轮蜗杆,要求:具体规格如图所示,材料是尼龙,尺寸和速比类型的都可以。需要生产厂家,请报含税价。
采购要求
交货地
浙江省 杭州市
报价后可见联系信息
杭州苏尔威工具制造有限公司
信息验证:
公司详情
采购类目:
紧固件和连接件;其它紧固件和连接件
|
发联系信
举报不实信息
登录
免费注册
该帐号为百卓采购网会员,
将为您切换相应标签进行登录。
确认
请输入中国制造网内贸站的登录信息
找回帐号
找回密码
登录
该帐号为中国制造网内贸站会员,
将为您切换相应标签进行登录。
确认
两周内免登录
忘记密码?
登录
登录即表示您已同意
百卓采购网会员协议
,并同意获取您的中国制造网内贸站部分信息。
中国制造网内贸站会员登录
< 返回百卓采购网登录