百卓首页
|
购物车(
0
)
|
我的百卓
采购中心
新增询价单
新增招募
管理采购物品
管理供应商
销售中心
找商机
等待报价信息
管理订单
查看未读消息
|
百卓优采管理工具
百卓优采云进销存软件
百卓优采供应链云平台
|
客服中心
|
400-6979-890
|
网站导航
采购市场
询价信息
招募信息
企业采购专场
招标信息
供应市场
工业品市场
其他
市场活动
客服中心
查看更多
您好,欢迎来到百卓采购网!
请登录
免费注册
企业采购就上百卓
企业采购就上百卓
找采购
搜索
杭州华创橡塑制品有限公司
询价信息
招募信息
公司信息
非标螺丝
本次采购已结束,已获得5条报价
截止日期:2017-05-31
已有
5
人报价
询价物品
物品名称
图片
采购量
厂牌型号/规格属性
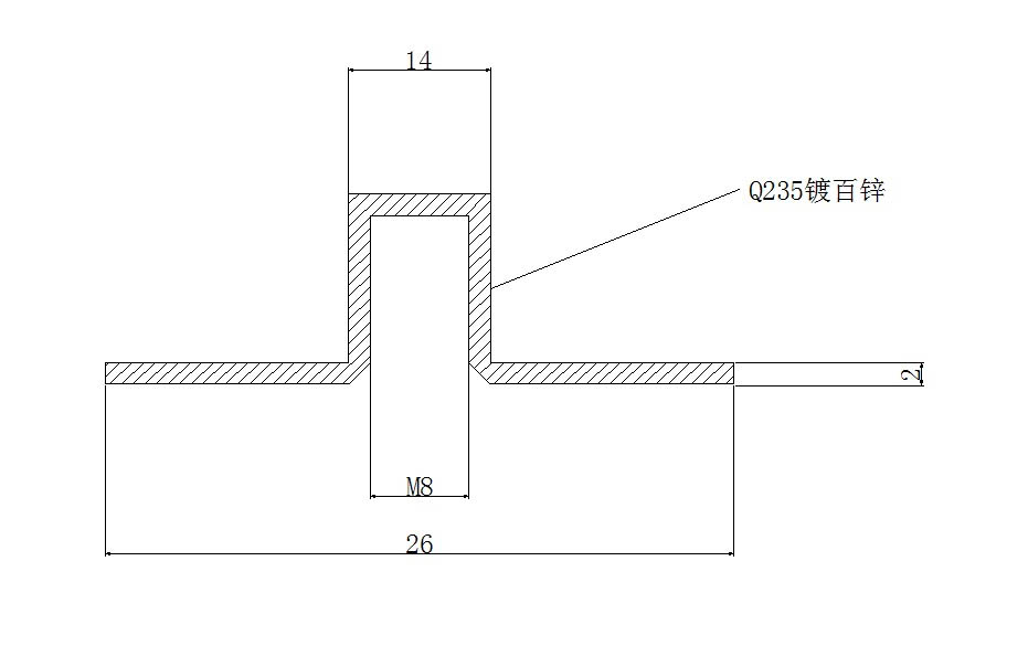
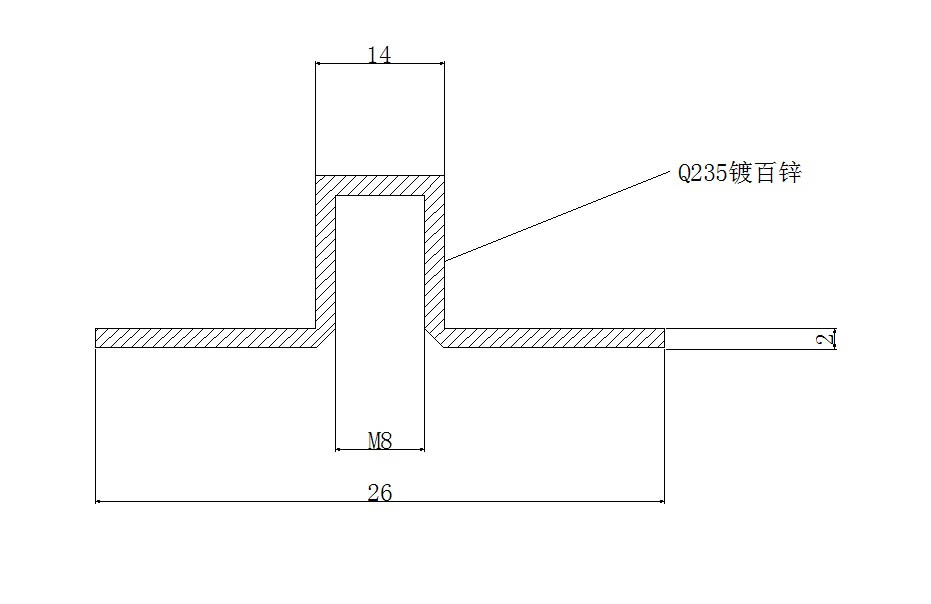
非标螺帽
螺母.jpg
10,000
个
非标螺杆
螺杆.jpg
10,000
个
采购要求
附件
螺杆.jpg
螺母.jpg
交货地
浙江省 杭州市
补充说明
长期需要
对供应商要求
经营模式: 生产制造
报价后可见联系信息
杭州华创橡塑制品有限公司
信息验证:
公司详情
|
发联系信
举报不实信息
登录
免费注册
该帐号为百卓采购网会员,
将为您切换相应标签进行登录。
确认
请输入中国制造网内贸站的登录信息
找回帐号
找回密码
登录
该帐号为中国制造网内贸站会员,
将为您切换相应标签进行登录。
确认
两周内免登录
忘记密码?
登录
登录即表示您已同意
百卓采购网会员协议
,并同意获取您的中国制造网内贸站部分信息。
中国制造网内贸站会员登录
< 返回百卓采购网登录